MSAL的X射线粉末衍射仪的X射线强度测量系统配用NaI闪烁检测器,以及由放大器、脉冲幅度分析器、计数率表等单元电路组成。
常用于软X射线检测的检测器有:Geiger-Muller检测器(GC)、正比检测器(PC)和NaI(Tl)闪烁检测器(SC)。GC和PC以及最早在X光强度测量中使用的电离室都是基于气体放电的气体器件。SC却是基于完全不同的原理,它以晶体发光为基础,利用晶体受辐射激发产生的萤光闪烁通过光电倍增管转换成电脉冲讯号。
闪烁检测器是各种晶体X射线衍射工作中通用性能最好的检测器。它的主要优点是:对于晶体X射线衍射使用的X射线均具有很高甚至达到100%的量子效率;使用寿命长,稳定性好;此外,它和PC一样,具有很短的分辨时间(10-7秒数量级),因而实际上不必考虑由于检测器本身的限制所带来的计数损失;它和PC一样,对晶体衍射工作使用的软X射线也有一定的能量分辨本领。因此通常X射线粉末衍射仪配用的是闪烁检测器。
由于NaI晶体容易受潮分解,为了保障检测器的寿命,使用时要注意实验室内的湿度。当长期不用时或室内湿度过高时要把闪烁检测器卸下保存在保干器中。如果晶体没有受潮分解,在正确的使用条件下,闪烁检测器的寿命可以说是无限长的。
Si(Li)固体检测器价格虽然比较昂贵,但是由于它的高能量分辨率可以大大提高衍射仪的性能:1.不必使用物理的单色方法(晶体单色器或滤波片)则可去除Kb和连续谱 ,避免了Ka强度的损失,可以使衍射强度测值提高1~3倍;2.可以高效地滤除样品产生的荧光,获得极低背景的衍射图。
衍射仪的射线强度测量系统都配置有脉冲幅度分析器,其的目的是为了利用检测器的能量分辨本领对X射线按波长进行有选择的测量。所谓检测器的能量分辨本领,是指检测器接收某一能量的量子(某一波长射线的光量子),所输出脉冲信号的平均幅度与入射量子的能量成正比的特性。检测器的能量分辨本领在晶体X射线衍射强度的测量中有重要的价值。进入检测器的X射线,不仅有Kα线,还有其它波长的射线——Kβ线、连续光谱部分的X射线以及来自试样本身的荧光X射线等等。利用检测器的能量分辨特性,应用脉冲幅度分析器便可根据脉冲的幅度对信号进行甄别,仅对Kα线产生的脉冲信号进行测量。由于PC和SC的能量分辨本领还不够高,因此使用PC或SC时还要结合使用物理的“单色化”方法(Kβ滤波片、晶体单色器等),来排除或基本排除其他波长的X射线(Kβ、连续光谱以及荧光)对衍射强度测量的影响,改善衍射图的背景。
脉冲幅度分析器实质上是一种脉冲电压幅度鉴别器,它由上限鉴别电路、下限鉴别电路和异或门(反符合线路)所组成(图3.5a)。上、下限鉴别电路的线路是相同的,只是其触发电平的设置不一样,前者较后者设置得高一些,下限鉴别电路的触发电平称为“下限”或“阈值”,两个鉴别电路触发电平之差称为“道宽”或“窗宽”。
脉冲幅度分析器的工作原理图解如图3.5b:设在某一段时间里,有幅值约几十毫伏的随机脉冲信号序列自检测器输入(A点),这些脉冲信号的幅值和时间间隔都是不规则的,经过幅度比例放大后,它们的幅度放大到2~3伏左右(B点)。幅度低于下限鉴别器触发电平的脉冲信号对上、下限两个鉴别器都无法驱动;幅度高于下限而低于上限鉴别器触发电平的脉冲信号只能驱动下限鉴别器;幅度高于上限鉴别器触发电平的脉冲信号则能同时驱动上、下限鉴别器(请比较C、D两点的脉冲数的差异并联系每个输入脉冲的幅度)。而对于异或门,只有当仅有一个输入端有输入时才有信号输出,所以在输出端E点,只有其幅值在上限与下限触发电平之间的脉冲信号才能引起输出。因此,在E点进行计数测量时,得到的将仅是幅度在“窗”内(即“道宽”内)的脉冲信号的个数,也就是说,当确定阈值和道宽后,只有某种波长的X射线产生的信号才能通过脉冲幅度分析器。

图3.5a 脉冲幅度分析器的结构框图 图3.5b 脉冲幅度分析器工作过程的分析
对于强度恒定的射线,只规定下限而上限不加限制(即道宽无限大)进行脉冲计数的测量,称为积分测量。当下限值自零附近开始逐步增加,此时可以进行积分测量,得到讯号幅度大小的一种分布曲线,称积分分布曲线。当用一个很小的道宽(例如用最大阈值的1/100),而下限值自零附近开始逐步增加,此时进行的脉冲计数测量叫做微分测量或脉冲幅度分析或能谱分析,所得到的讯号幅度大小的分布曲线称微分分布曲线或能谱曲线。下图示出了用SC测得的CuKα的积分曲线和能谱曲线。不同能量的X射线,其微分曲线的平均脉冲幅值与射线量子能量成正比(图1.13)

图3.6 闪烁计数管的积分曲线和微分曲线(对Cu Kα)
在衍射仪方法中,X射线的强度用脉冲计数率表示,单位为每秒脉冲数(cps)。检测器在单位时间输出的平均脉冲数,直接决定于检测器在单位时间接收的光子数。如果检测器的量子效率为100%,而系统(放大器和脉冲幅度分析器等)又没有计数损失(漏计),那么每秒脉冲数便是每秒光子数。
脉冲计数率可以通过计数设备(如定标器、定时计数电路、定数计时电路)测量或简单地用计数率表来测量。
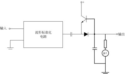
计数率表的电路是一种频率~电压线性变换电路,是以往应用模拟纪录的衍射仪的测量系统的基本电路。它能把随机输入的脉冲平均计数率转换成为与之成正比的直流电压模拟值,这样,借助于计数率表便能用mV记录仪测量记录扫描过程接收到的X射线强度的变化,得到衍射曲线。图3.7示出了计数率表的原理图。计数率表的工作原理可简述如下:脉冲序列输入先通过波形标准化电路,使每个输入脉冲都具有相等的幅度Vi;每个幅度标准化了的脉冲经过T、D构成的晶体管泵电路将给予积分RC电路的电容以同样的电荷,所以,电容器C的电压Vo(或通过漏电阻R的电流)的值将正比于单位时间作用在输入端的脉冲平均数目N,Vo = C'RNVi。因此指示Vo或指示通过R的电流的仪表可以直接用计数率(脉冲数/秒)为单位来刻度。
改变计数率表的C'的大小可以改变计数率表的量程,而改变C的大小,可以改变积分RC电路的时间常数。增加积分电路的时间常数能减小计数率测量的误差,但也增大了建立平衡指示的时间,即增大了测量时间。因此在使用计数率表时需要在测量时间和计数精确性之间选择一个适当的RC的折中值。

图3.7 计数率表的原理图