X射线多晶衍射仪的X射线发生器是高稳定度的。它由X射线管、高压发生器、管压管流稳定电路和各种保护电路等部分组成。
衍射用的X射线管实际上都属于热电子二极管,有密封式和转靶式两种。前者最大功率不超过2.5KW,视靶材料的不同而异;后者是为获得高强度的X射线而设计的,一般功率在10KW以上。密封式X射线管的结构如图3.2所示。X射线管工作时阴极接负高压,阳极接地。灯丝附近装有控制栅,使灯丝发出的热电子在电场的作用下聚焦轰击到靶面上。阳极靶面上受电子束轰击的焦点便成为X射线源,向四周发射X射线。在阳极一端的金属管壁上一般开有四个射线出射窗口,实验利用的X射线就从这些窗口得到。密封式X射线管除了阳极一端外,其余部分都是玻璃制成的。管内真空度达10-5~10-6乇(Torr,即mmHg柱),高真空可以延长发射热电子的钨质灯的寿命,防止阳极表面受到污染。早期生产的X射线管一般用云母片作窗口材料,而现在的衍射用射线管窗口材料都用Be片(厚0.25~0.3mm),Be片对MoKα、CuKα、CrKα分别具有99%、93%、80%左右的透过率。

图3.2 密封式衍射用X射线管结构示意图
阳极靶面上受电子束轰击的焦点呈细长的矩形状(称线焦点或线焦斑),从射线出射窗中心射出的X射线与靶面的掠出角为6°。因此,从出射方向相互垂直的两个出射窗观察靶面的焦斑,看到的焦斑形状是不一样的,由出射方向垂直焦斑长边的两个出射窗口观察,焦斑成线状,称为线光源;由另外两个出射窗口观察,焦斑如点状,称为点光源。粉末衍射仪要求使用线光源,因而在衍射仪安装管子的时候,须检查所使用的X射线出射窗是否为线焦点方向(管子上有标记)。此外,还应选择使用适当掠射角(要求测角仪或相机相对于靶面平面要有适当的倾斜角)。
密封管靶面的电子束焦点有三种规格:细焦点0.4×8mm2;普通焦点1×10mm2;大焦点2×12mm2,常用的规格是“普通焦点”,实际上细焦点管更适用于衍射仪。X射线管的额定功率因靶面的种类及厂家而异,下表给出了各种靶材的密封X射线管的额定功率。长时间连续运行时,使用功率建议在额定值的80%以下,有利于管子寿命的延长。
表3-1
密封式X射线管的额定功率
|
靶材种类 |
W |
Mo |
Cu |
Co |
Fe |
Cr |
|
细焦点 0.4×8mm2 |
2.0KW |
2.0KW |
1.5KW |
1.3KW |
0.9KW |
1.3KW |
|
普通焦点 1×10mm2 |
2.4KW |
2.4KW |
2.0KW |
1.8KW |
1.5KW |
1.8KW |
|
大焦点 2×12mm2 |
2.7KW |
2.7KW |
2.7KW |
2.7KW |
2.2KW |
2.7KW |
X射线管消耗的功率只有很小部分转化为X射线的功率,99%以上都转化为热而消耗掉,因此X射线管工作时必须用水流从靶面后面加以冷却,以免靶面熔化毁坏。为提高靶与水的热交换效率,冷却水流是用喷嘴喷射在电子焦点的背面上的,流量要求>3.5升/分。X射线发生器的停水报警保护电路必须可靠。
给X射线管工作提供高压的高压发生器过去一直使用工频高压发生器,随着固体电路和电子技术的发展近年已多采用性能更佳的高频高压电源。
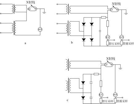
常用的工频高压发生器有三种基本电路形式(图3.3)。X射线管的工作电压(管压)和阳极电流(管流)均有稳定电路控制,以保持X射线管发生的X射线强度高度稳定。管压和管流的控制多采用“二次侧检测,一次侧控制”方式,即通过检测高压发生器输出侧实际施加于X射线管的工作电压KV和X射线管的阳极电流mA的值来反馈控制高压发生器输入侧的输入电压,使实际的KV和mA值与设定值相等。

图3.3 高压发生器的三种基本电路形式
a. 自整流电路;b.桥式整流电路;c.倍压整流电路
因为一般衍射线的强度不高,测量的统计误差都是比较大的(常大于1%),所以对于大多数的X射线衍射工作,管电压和管电流具有±0.1%的稳定度已可满足测量的要求。此外,仪器环境温度的变化影响空气的吸收性质,也会引起X射线强度的变化:当气温变化1℃时,假设X射线从管的出射窗口到达检测器所通过的路程为40cm,引起X射线强度的变化对CuKα为0.16%,对CrKα为1.55%,因此,若要求更高的强度稳定度,还必需同时稳定实验仪器的环境条件。
MSAL的粉末X射线衍射仪可在电源波动10%的情况下工作,其管压和管流的稳定度(调整率)优于±0.1%(在电源电压220±5V条件下,稳定度为±0.03%)。
MSAL的粉末衍射仪其X射线发生器配置有下列的安全保护电路:
*冷却水保护电路——冷却水流量不足时,将自动断开X射线发生器的电源,以免X射线管受到损坏。
*功率过载保护电路——当管子的运行功率超过设定值时,自动切断X射线发生器的电源。
*KV过低和KV过高保护电路——当管压低于10KV或超过设定限制时,自动切断X射线发生器的电源。
*防辐射保护电路——当防辐射门未关闭好时,将切断X射线出射窗的电磁控制电路,使窗关闭。
*报警蜂鸣器——当上列的保护电路起作用时,蜂鸣器将发出响声。