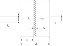
X射线穿过物质之后,强度会衰减。前面已经指出,这是因为X射线同物质相互作用时经历各种复杂的物理、化学过程,从而引起各种效应转化了入射线的部分能量。如下图所示:

图1.7 X射线的衰减
实验证明,X射线穿透物质后的强度衰减与射线在物质中经过的距离成正比。假设入射线的强度为I0,进入一块密度均匀的吸收体,在x处时其强度为Ix,当通过厚度dx时强度的衰减为dI,定义μ为X射线通过单位厚度时被吸收的比率,则有:
-dI = μIx
dx
(1.8)
考虑边界条件并进行积分,则得:
Ix = I0 e-μx
(1.9)
式中μ称为线衰减系数,x为试样厚度。我们知道,衰减至少应被视为物质对入射线的散射和吸收的结果,系数μ应该是这两部分作用之和。但由于因散射而引起的衰减远小于因吸收而引起的衰减,故通常直接称μ为线吸收系数,而忽略散射的部分。
式(1.9)常常写成如下形式:
Ix = I0 e
–(μ/ρ)ρx
(1.10)
式中ρ为吸收体的密度,(μ/ρ)称为质量吸收系数,它是物质固有的特性,对于一定波长的入射X射线,每种物质都具有一定的值。质量吸收系数常用μ*或μm来表示。X射线被物质吸收的性质与物质的化学组成有关。在理想情况下,作为一级近似,元素的质量吸收系数可以认为与元素的物理化学状态无关,由两种元素以上组成的化合物、混合物、溶液等物质的质量吸收系数μm可以由各组成元素的μ/ρ进行线性加和得到。假定物质的各组成元素的μ/ρ分别为(μ1/ρ1)、(μ2/ρ2)、(μ3/ρ3)… 其质量百分数分别为x1、x2、x3 … 则物质的μm可按下式计算:
μm = x1(μ1/ρ1)+ x2(μ2/ρ2)+ x3(μ3/ρ3)+ … (1.11)
元素的吸收系数是入射线的波长和吸收元素原子序数的函数。如图1.8a所示,对于一种元素其质量吸收系数μm随着波长的变化有若干突变,发生突变的波长称为吸收限(或称吸收边)。在各个吸收限之间质量吸收系数随波长增加而增大。所以短波长的X射线(所谓硬X射线)穿透能力大,而长波长的X射线(所谓软X射线)则容易被物质吸收。对于X射线的实验技术来说,最有用的是第一吸收限,即K吸收限。质量吸收系数随着波长的变化有突变的原因,也就是元素特征光谱产生的原因。当入射X射线的能量足够把内层电子轰出时(即光电效应),能量便被吸收,并会部分转化为元素二次辐射的能量。各个吸收限之间的区域内质量吸收系数符合下面的近似关系:
μ/ρ= K λ3 Z3
(1.12)
式中K为常数。对于给定的波长λ,μm随Z的增大也有类似的规律,如图1.8b所示。

图1.8 物质的质量吸收系数(μ*)
在X射线衍射实验中:如果所用X射线波长较短,正好小于样品组成元素的吸收限,则X射线将大量地被吸收,产生荧光现象,造成衍射图上不希望有的深背景;如果所用X射线波长正好等于或稍大于吸收限,则吸收最小。因此进行衍射实验时应该依据样品的组成来合理地选择工作靶的种类:应保证样品中最轻元素(钙和原子序数比钙小的元素除外)的原子序数比靶材元素的原子序数稍大或相等。如果靶材元素的原子序数比样品中的元素原子序数大2~4,则X射线将被大量吸收因而产生严重的荧光现象,不利于衍射分析。
使X射线管产生的X射线单色化,常采用滤波片法。利用滤波片的吸收限进行滤波,除去不需要的Kβ线,使用滤波片是最简单的单色化方法,但只能获得近似单色的X射线。原子序数低于靶元素原子序数1或2的元素,其K吸收限波长正好在靶元素的Kα和Kβ波长之间,因此对于每种元素作为靶的X射线管,理论上都能找到一种物质制成它的Kβ滤波片。使用Kβ滤波片还可以吸收掉大部分的“白色” 射线(图1.8)。滤波片的厚度通常按Kβ的剩余强度为透过滤波片前的0.01计算,此时Kα通常被衰减掉一半。
图1.9 Cu的X射线光谱在通过Ni滤片之前(a)
和通过滤片之后(b)的比较 (虚线为Ni的质量吸收系数曲线)